
產品型號: φ25橡膠福來輪 W-2515RB列
產品名稱:φ25橡膠福來輪 W-2515RB合成橡膠流利條
>>說明
1.合成橡膠流利條的滾輪使用合成橡膠為材料。
2.滾輪直徑:φ25、φ30、φ38、φ40、φ45
3.可以根據客戶要求定做
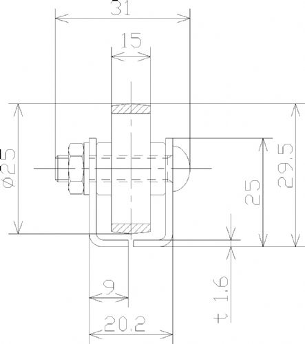
>>示意圖

>>仕様表
(単位 mm)
| 型 號 | 福來輪尺寸 | 使用軸 | 
| W-2515RB | 25×15×6.2×17 | M6×27L | 
| 框架尺寸 | 機高 | 全 長 | 福來輪中心距 | 彎道半徑 | 單只福來輪承載(kg) | 參考 | 
| 25×20.2×9×31×1.6 | 29.5 | 1,000?1,500? | 30?35 | 1,000 | 30 | 滾輪為切削式福來輪 |