
產品型號: RS-TC900
產品名稱:90度不銹鋼自由輸送機
該型輸送機為90度弧形轉彎輸送機,使用不銹鋼錐型滾筒,適用于輸送機的轉彎連接、有防銹要求的場合。
>>說明
1.轉彎角度:90度
2.轉彎半徑:900mm
3.支架: 90mm槽鋼
4.幅寬: 200mm~600mm
5.滾筒承重量:max約83kg
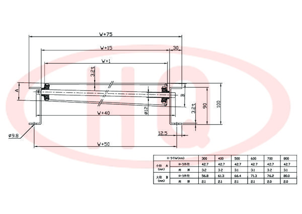
>>仕様表
(単位mm)
| 滾 筒 幅 寬 W (mm) | 200 | 300 | 400 | 500 | 600 | ||
| 小徑  A (mm) | 滾 筒 外 徑 | 44.7 | 44.7 | 44.7 | 44.7 | 44.7 | |
| 壁 厚 | 3.5 | 3.5 | 3.5 | 3.5 | 3.5 | ||
| 大徑  B (mm) | 滾 筒 外 徑 | 54.6 | 59.6 | 64.5 | 69.5 | 74.4 | |
| 壁 厚 | 2.4 | 2.3 | 2.3 | 2.2 | 2.2 | ||
| 型 號 | 轉彎半徑 R | 軸外徑(φ)×壁厚(t) 加工 | 支架形狀I×K×t 輸送機高(H) | 滾 筒 幅 寬 W | 滾筒間距 P (滾筒數) | 滾筒 角度 θ | 滾筒強度 (kg) | 輸送機重量 (kg) | |||||
| RS-TC900 不銹鋼滾筒 | 900 | 12 管 SUS 半圓 | [  90×30×3 SUS304 100 | 200~600 任意尺寸 | 75(23)?100(18) 150(12) | 90° | 150 〔400W〕 | 83.4 〔400W ?75P〕 | |||||
>>示意圖
