
產品型號: RS-5015
產品名稱:?50不銹鋼制自由輸送機
滾筒使用不銹鋼材料,防銹性能好。滾筒承重大,適用于重量物品的搬運。
>>說明
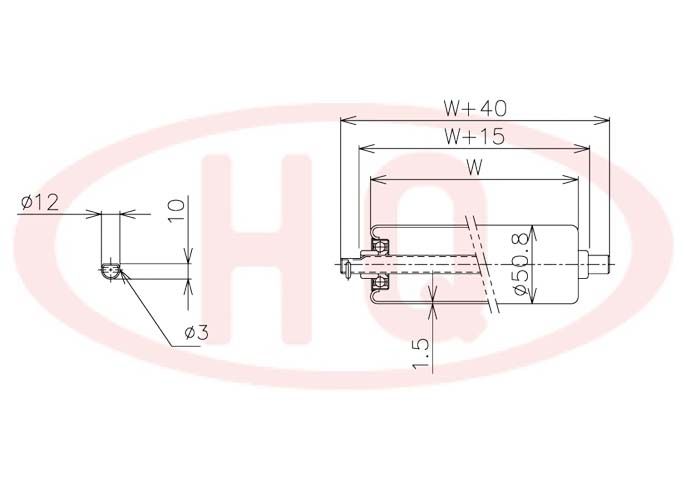
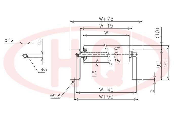
1.滾筒直徑:?50mm(壁厚1.5mm)
2.支架: 90mm槽鋼
3.幅寬: 100mm~800mm
4.承重量: max約135kg
>>仕様表
(単位 mm)
| 滾 筒 幅 寬 W (mm) | 100 | 200 | 300 | 400 | 500 | 600 | 700 | 800 | ||
| 滾筒承重強度 (kg) | 135 | 120 | 110 | 90 | 70 | 60 | 50 | 45 | ||
| 輸送機重量 3,000L (kg) | 75P | 29.8 | 38.2 | 42.7 | 51.2 | 59.7 | 67.5 | 75.9 | 80.4 | |
| 100P | 25.9 | 32.3 | 35.8 | 42.3 | 48.7 | 54.6 | 54.6 | 64.4 | ||
| 滾筒(含軸)重量 (g) | 380 | 561 | 742 | 923 | 1,104 | 1,285 | 1,285 | 1,647 | ||
| 型 號 | 滾筒外徑(φ)×壁厚(t) 軸承 | 軸外徑(φ)×壁厚(t) 加工 | 支架形狀I×K×t 輸送機高(H) | 機  長 L | 滾筒幅 寬 W | 滾筒間隔 P | 轉彎半徑 R | ||||||
| RS-5015 | 50×1.5  SUS304 (SUS440C?沖壓軸承) | 12管 SUS 半圓 | [  90×30×2 SUS304 100 | 1000?2,000 3,000 | 100~800 50遞增 | 75?100 150 | 900 | ||||||
>>示意圖



