
產品型號: RS-5715
產品名稱:?57不銹鋼制自由輸送機
滾筒使用不銹鋼材料,防銹性能好。滾筒承重大,適用于重量物品的搬運。
>>說明
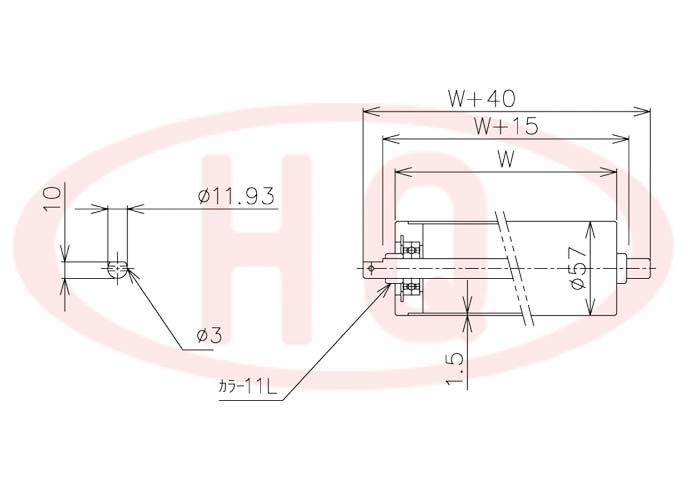
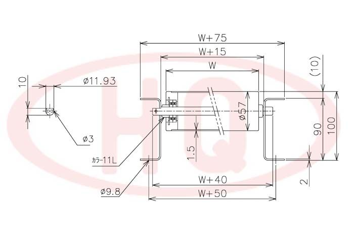
1.滾筒直徑:?57mm(壁厚1.5mm)
2.支架: 90mm槽鋼
3.幅寬: 100mm~800mm
4.承重量: max約128kg
>>仕様表
(単位 mm)
| 滾 筒 幅 寬 W (mm) | 100 | 200 | 300 | 400 | 500 | 600 | 700 | 800 | ||
| 滾筒承重強度 (kg) | 128 | 112 | 96 | 80 | 63 | 52 | 47 | 43 | ||
| 輸送機重量 3,000L (kg) | 75P | 31.7 | 40.9 | 46.1 | 55.4 | 64.6 | 73.2 | 82.4 | 87.6 | |
| 100P | 27.3 | 34.3 | 38.3 | 45.4 | 52.4 | 58.8 | 65.8 | 69.8 | ||
| 滾筒(含軸)重量 (g) | 428 | 628 | 828 | 1,028 | 1,228 | 1,428 | 1,628 | 1,828 | ||
| 型 號 | 滾筒外徑(φ)×壁厚(t) 軸承 | 軸外徑(φ)×壁厚(t) 加工 | 支架形狀I×K×t 輸送機高(H) | 機  長 L | 滾筒幅 寬 W | 滾筒間隔 P | 轉彎半徑 R | ||||||
| RS-5715 | 57×1.5 SUS304 | 12圓棒 SUS 半圓 | [  90×30×2 SUS304 100 | 1000?2,000 3,000 | 100~800 50遞增 | 75?100 150 | 900 | ||||||
>>示意圖



