
產品型號:φ25福來輪 W-BS系列
產品名稱:φ25福來輪 W-2523BS切削式滾輪流利條
切削式滾輪流利條使用切削滾輪、福來輪、滾筒等,形式多樣。
>>說明
1.滾輪直徑:φ25
2.可以根據客戶要求定做。
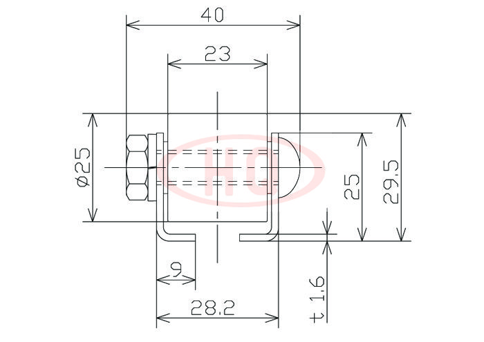
>>示意圖
>>仕様表
(単位 mm)
型 號 | 福來輪尺寸 | 使用軸 |
W-2523BS | 25×23×8.2×25 | M8 ×35L |
框架尺寸 | 機高 | 全 長 | 福來輪中心距 | 彎道半徑 | 單只福來輪承載(kg) | 參考 |
25×28.2×9×40×1.6 | 29.5 | 1,000?1,500 | 30?35 | 1,000 | 50 | 寬幅型 |